联系电话
0753-8841001
搜索
首页
关于我们
公司简介
企业文化
发展历程
质量管理
资质证书
新闻中心
公司新闻
行业动态
产品中心
船用类铸件
注塑机铸件
大型水泵
其它类铸件
机械加工
招标公告
工程招标
采购招标
资产处理
中标公告
人才招聘
投资者关系
公司公告
公司治理
联系我们
< 返回
首页
关于我们
公司简介
企业文化
发展历程
质量管理
新闻中心
公司新闻
行业动态
产品中心
船用类铸件
注塑机铸件
大型水泵
其它类铸件
机械加工
招标公告
工程招标
采购招标
资产处理
中标公告
人才招聘
投资者关系
公司公告
公司治理
联系我们
工程招标
采购招标
资产处理
中标公告
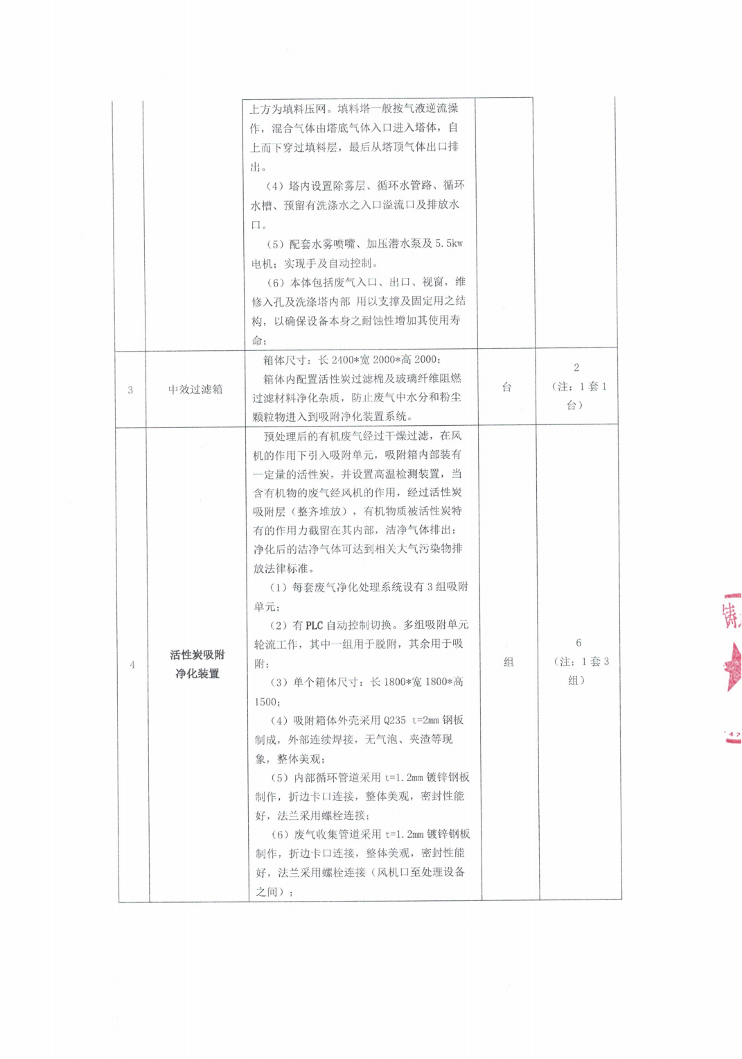
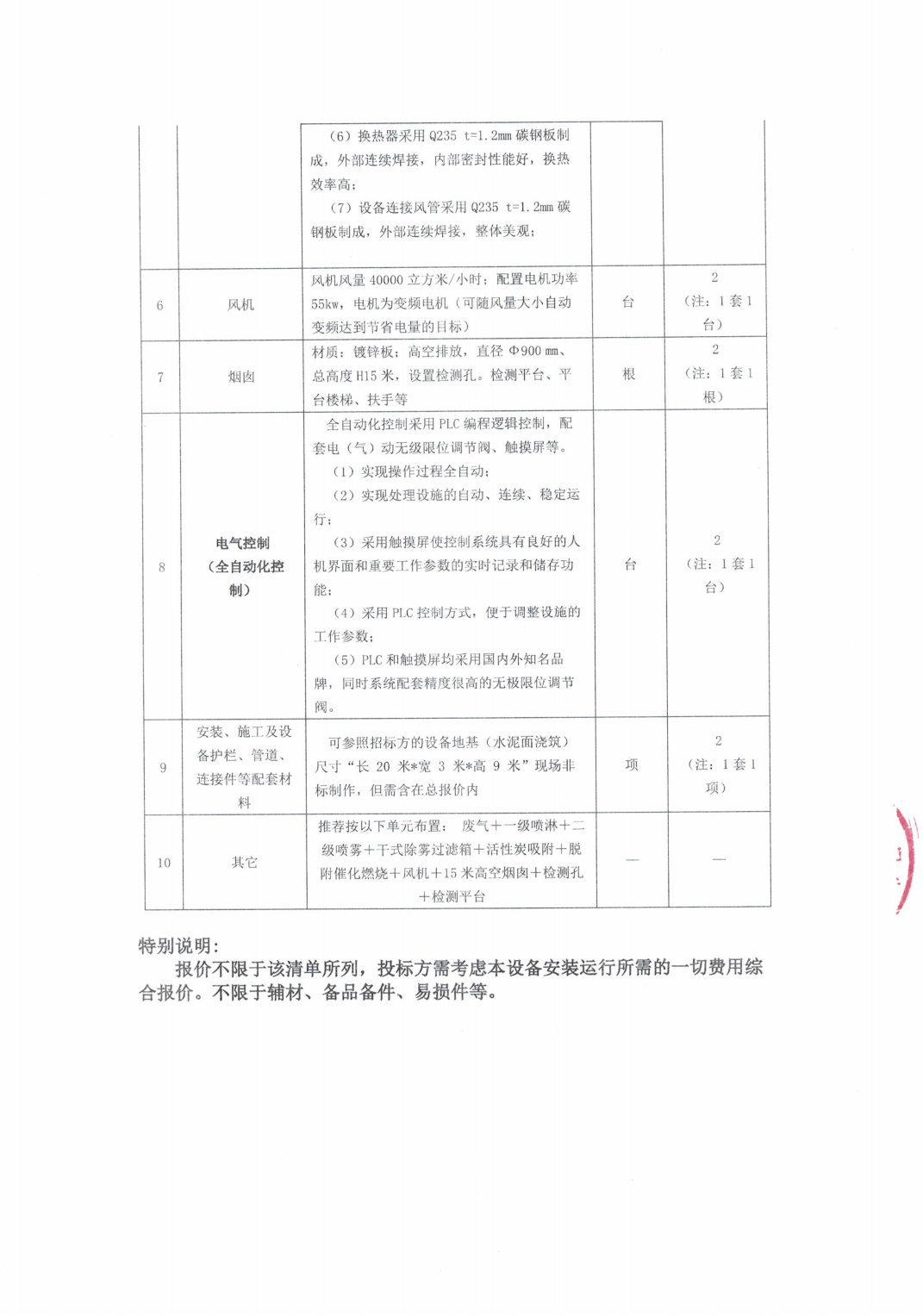
荻赛尔公司铸造废气治理环保主体设备采购项目招标公告